Вентилятор ВДН-9-11,0/1000 в Нарьян-Маре

Вентиляторы ВДН-9-11,0/1000 серии ВДН предназначены для промышленного использования. Устройства устанавливаются в котельном оборудовании и адаптируются для нагнетания свежего воздуха внутрь топки. Изделия обладают высоким запасом мощности и надежности. Благодаря простой конструкции и качественной сборке устройства способны работать длительное время без ремонта и технического обслуживания.

Цена:
Цена не указана
Количество:
Отправляя свои личные данные через формы на сайте, Вы даёте своё согласие на обработку персональных данных согласно Федеральному закону №152-ФЗ «О персональных данных» от 27.07.2006 г. в редакции от 01.07.2017.

Устройство и принцип работы

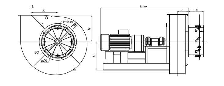
ВДН оборудование состоит из металлического корпуса, мощного электродвигателя и рабочего колеса с лопастями для забора воздуха. Конструктивно агрегат оборудован одним патрубком для забора. Сам корпус имеет спиральную форму с поворотом. Изготовление составных элементов осуществляется из разных материалов. Чаще всего используются легкосплавные и нержавеющие металлы. Соединение с котлом осуществляется при помощи специальных фланцев.

При включении вентилятора ВДН-9-11,0/1000 в сеть срабатывает электрический двигатель, который предварительно настроен на определенную частоту. Электромотор передает крутящий момент на рабочее колесо. Данный узел забирает воздух при помощи лопастей через основной заборный отвод. Под давлением воздушная смесь направляется в топку. При помощи электрических регулировок можно настроить интенсивность нагнетания.

Особенности и преимущества

После монтажа вентиляторы ВДН-9-11,0/1000 способны обеспечивать котел необходимым запасом воздуха для работы. Дутьевые машины обладают высокой производительностью и универсальностью. Ведь их установка может осуществляться на разные типы котлов. Можно выделить главные преимущества:

  • рабочее колесо полностью сварное;
  • поворотный корпус;
  • наличие защиты электромотора;
  • возможность ручной регулировки;
  • простота обслуживания.

Вентиляторы данной серии не требуют специальной подготовки фундамента для проведения установки. Для монтажа достаточно ровной платформы с закладными деталями или анкерами, которые используются для надежного крепления.

Эксплуатация и техническое обслуживание

ВДН применяются совместно с котлами твердотопливного типа. Оборудование обеспечивает стабильную подачу свежего воздуха в необходимом количестве. При помощи данных вентиляторов ВДН-9-11,0/1000 улучшается общая стабильность работы котла.

Установки не требуют специального обслуживания. Для поддержания работоспособности вентилятора ВДН-9-11,0/1000 достаточно систематически проверять состояние электрической проводки, а также вращательные механизмы.

Купить вентиляторы ВДН-9-11,0/1000

Приобрести вентиляторы ВДН-9-11,0/1000 серии ВДН можно на нашем сайте. Оборудование поставляется от официальных производителей. Заказать вентиляционные установки можно путем заполнения формы на сайте или составления заявки по контактному телефону.

Характеристики
Серия: ВДН
Диаметр рабочего колеса: 9 дм
Число лопаток: 16 шт
Электродвигатель: АИР160S6
Мощность: 11 кВт
Частота вращения: 1000 об/мин
Производительность: 9 500 м³/ч
Полное давление: 1 225 Па
Масса без двигателя: 380 кг
Масса с двигателем: 505 кг
Схемы

Города поставок

Москва
Пн-Пт 09:00 - 18:00
Сб 09:00 - 17:00
Карачаево-Черкесская Республика
Пн-Пт 09:00 - 18:00
Сб 09:00 - 17:00
Екатеринбург
Пн-Пт 09:00 - 18:00
Сб 09:00 - 17:00

Совершите покупку за 4 шага

Шаг 1
Выберите товары из каталога
Шаг 2
Поместите нужные вам товары в корзины
Шаг 3
Укажите свои контактные данные в форме обратной связи
Шаг 5
Ожидайте звонка от менеджера для оформления покупки

Похожие товары

Вентиляторы ВД
Вентиляторы ВД
Цена от 0 руб.
Вентиляторы ВДН
Вентиляторы ВДН
Цена от 0 руб.
Вентиляторы промышленные
Вентиляторы ВЦ-14-46-8-30,0/750 относятся к разновидности промышленных устройств, которые предназначены для установки в системах вентиляции и кондиционирования. Оборудование комплектуется мощным электрическим двигателем и металлическим корпусом. ВЦ способен обеспечить среднее давление внутри вентиляционной системы.
Вы смотрели эти товары
Вентиляторы промышленные
Вентиляторы ВДН-9-11,0/1000 серии ВДН предназначены для промышленного использования. Устройства устанавливаются в котельном оборудовании и адаптируются для нагнетания свежего воздуха внутрь топки. Изделия обладают высоким запасом мощности и надежности. Благодаря простой конструкции и качественной сборке устройства способны работать длительное время без ремонта и технического обслуживания.
Вентиляторы промышленные
Вентиляторы ВДН-8-11,0/1000 серии ВДН предназначены для промышленного использования. Устройства устанавливаются в котельном оборудовании и адаптируются для нагнетания свежего воздуха внутрь топки. Изделия обладают высоким запасом мощности и надежности. Благодаря простой конструкции и качественной сборке устройства способны работать длительное время без ремонта и технического обслуживания.
Забрасыватели ЗП
Забрасыватели ЗП-300 представляют собой достаточно востребованный вид оборудования, которое имеет широкое применение в котельной. Системы рассчитаны на непрерывный заброс в топку любого твердого топлива. Применение агрегатов ЗП обусловлено высокой практичностью, эффективностью и производительностью. Оборудование способно обеспечить постоянную подачу угля, антрацита и прочих разновидностей топлива в автоматическом режиме.